

|
It is a common practice to measure P concentration in outlet oil at Washing Separator, as a tracer to determine Phospholipid mass concentration in the outlet stream, which it is dependent on MW of phospholipids. |
|
Either for PL-C assisted water degumming, PL-A assisted acid degumming or a combination of both process, our process simulation models allow you to better understand the entire process in terms outlet streams composition, oil yield and process conditions. |

|
2016 © Process Simulation Technics |
|
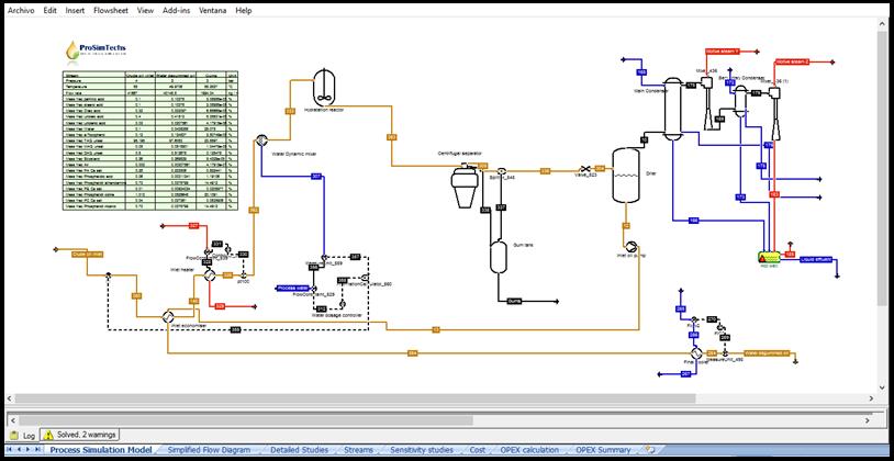
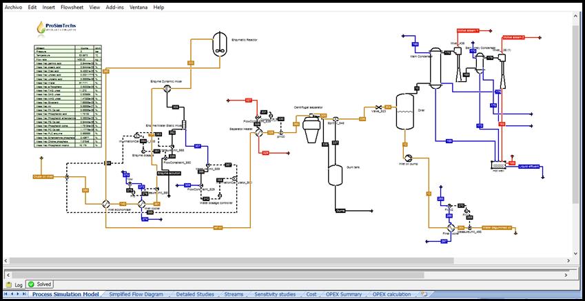
Process Simulation Model PLC enzymatic degumming |
|
Simplified Flow Diagram (SFD) |
|
Detailed studies |
|
A Simplified Flow Diagram is used to analyze relevant information from the process simulation in terms of stream composition (inlet oil, gums, outlet oil), oil yield, wastewater, etc. |
|
A process simulation model of water degumming allows to control oil yield comparing gums composition vs. expected results from the simulation run, also to check heating steam consumption and residual water concentration in degummed oil. |
